舍弗勒INA轴承整体解决方案提供商
INA轴承

您当前的位置: INA轴承>>FAG轴承>>KR19-PP轴承

KR19-PP轴承

     我公司专业销售KR19-PP,能为客户提供样本图纸,轴承KR19-PP的品牌的圆柱滚子轴承,需要此轴承内外圈、内外径、厚度结构等资料请联系销售部! 联系方式:15335271700
     我公司还销售相关轴承: BK2816轴承 BK1416轴承 BK5020轴承 BK5520轴承 BK6020轴承 BK2820轴承 BK2512轴承 BK0408TN轴承 BK1712轴承 BK2012轴承 BK2816轴承 BK0810A轴承 BK0910A轴承 BK1010A轴承 BK1210A轴承 

KR19-PP轴承尺寸参数

  • 型号:KR19-PP
  • 品牌:FAG
  • 系列:螺栓型滚轮

KR19-PP轴承详细参数

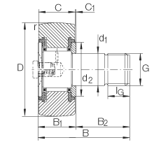
螺栓型滚轮 KR19-PP

轴向引导,两侧用塑料推力平垫圈

螺栓型滚轮 KR19-PP, 轴向引导,两侧用塑料推力平垫圈
径向载荷双侧密封终生润滑,免维护脂润滑
 
D 19  mm 
   
d1 8  mm 
  公差:h7
B 32  mm 
   
 
B1 max 12,2  mm 
   
B2 20  mm 
   
C 11  mm 
   
C1 0,6  mm 
   
d2 15  mm 
   
G M8 (x1,25) 
   
IG 10  mm 
   
rmin 0,15  mm 
   
 
m 29  g 
  质量
MA 8  Nm 
  螺母的锁紧力矩
Cr w 3500  N 
  滚轮的有效额定动载荷(径向)
C0r w 4000  N 
  滚轮的有效额定静载荷(径向)
Cur w 540  N 
  疲劳极限载荷
nD G 11000  1/min 
  转速(脂润滑下连续运转)
  NIPA1 
  紧配合润滑嘴
轻压配合润滑油嘴松散提供。
只能使用所提供的润滑油嘴。
   
  只有法兰端有再润滑孔,该端面带有安装时防止转动的长槽。

KR19-PP轴承相关型号

联系INA轴承经销商
上海坚孚轴承有限公司

公司地址:上海市宝山区
高逸路112-118号
销售经理:梁小姐
手机:15335271700
电话:4001803889
邮箱:liu@shjfzc.com
QQ:1530930357
我们的工作时间是:
     周一至周六 9:00 - 18:00

© 上海坚孚轴承有限公司 2018
  返回INA轴承